手机二维码

  版权所有   苏ICP   技术支持:  鸣谦信息


公司电话:

18652388999/13605269401


公司邮箱:

13605269401@163.com


公司地址:

江苏兴化市经济开发区楼房村

用科技引领未来,以细节和谐发展

PRODUCTS

—— 产品中心 ——

>
DZXF型电动锥形双层卸灰阀

DZXF型电动锥形双层卸灰阀

概 述

  DZXF电动锥形双层卸灰阀安装在粉尘通道下料部位,是一种理想的流量调节和除尘控制装置。现已广泛应用于冶金、矿山、煤炭、电力、水泥、化工等行业,是实现企业无尘化生产所必备的首选产品。

工作原理与结构特点

  1、卸灰阀是采用减速机通过凸轮带动上下主轴曲柄使其主轴及锥形阀芯组合件轮流回转,当上阀门开启时,下阀门关闭;上阀门关闭时,下阀门开启;实现阀门卸灰控制与锁年的目的。
  2、 该阀门由于采用了耐磨锥形阀芯结构,显著延长了阀门的使用寿命;改善了阀门的密封性能,提高了除尘效果;同时该结构电气控制更加简化,电机减速机的定向旋转避免了设备因反转碰撞而产生的故障,使设备更安全;是企业实现无尘化生产所必备的首选产品。根据卸灰量的大小,通过对电机变频调速,实现物料流量的自动控制。

产品型号编制规则

p45.gif

主要性能参数表(一)

序号

名称

数据

单位

备注

1

处理特料粒度

0~50

mm


2

处理物料温度

-30~+250


3

处理物料比重

0。8~3。2

t/m3


4

阀处理量

1~20

t/h

超范围比重应特殊设计

5

驱动形式



h-实际工作时间

6

推拉力或力矩



电液推杆或电液动转角器

7

卸(灰)料方式

自动

N或N.m


8

泄漏率

<0.05%



9

启闭时间

2~12



 

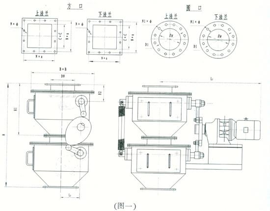
系列型号外形图及参数表

p46.gif

系列型号外形尺寸及电液推杆技术参数表(二)

DN

C

B

H

H1

H2

L1

N×a
方口

N×φ
方口

D1
圆口

N1×φ
圆口

电液推杆型号

功率
(kw)

启闭时间
(s)

200

200×200

350

1120

560

218

914

3×100

12×20

280

12×20

BLY18-87
-0.75kw

0.75

5

250

250×250

400

1200

600

238

906

3×115

12×20

330

12×20

BLY18-87
-0.75kw

0.75

5

300

300×300

450

1300

650

248

953

3×130

12×20

380

12×20

BLY22-87
-1.1kw

1.1

6

350

350×350

500

1400

700

268

960

3×145

12×20

430

12×20

BLY22-87
-1.15kw

1.1

8

注明:尺寸标注见图(一)
注明:特殊情况也可根据表(三)选取减速比

表(三)

摆线针轮减速机(电机转速n=1500r/min)

减速比

1:29

1:35

1:43

1:59

1:71

1:87

1:121

1:187

输出轴转速r/min

48

46

32

23

20

17

11.5

7.5