手机二维码

  版权所有   苏ICP   技术支持:  鸣谦信息


公司电话:

18652388999/13605269401


公司邮箱:

13605269401@163.com


公司地址:

江苏兴化市经济开发区楼房村

用科技引领未来,以细节和谐发展

PRODUCTS

—— 产品中心 ——

>
DXHF型单、双层快速翻板卸灰阀

DXHF型单、双层快速翻板卸灰阀

概述

  该翻板卸灰阀普遍适用于建材、矿山、冶金、电力等行业的储卸灰系统,作为各类除尘设备以及各种磨机、烘干机等设备的卸料装置。

  该卸灰阀是一种新型的快速电控卸灰装置,采用锥形灰仓,带斜角的密封面,卸灰彻底无磨损。

主要性能参数

适用介质 工作温度 卸灰量
干燥粉尘 150℃ 3-35m3/h

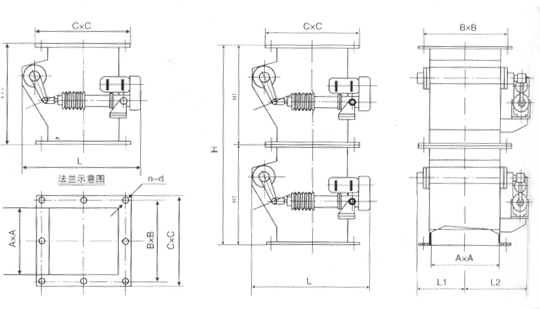
外形图

p56.gif

技术参数表

A×A B×B C×C H H1 L L1 L2 n-d 电液推杆 功率
(kw)
卸灰量
(m3/h)
200×200 254×254 290×290 750 375 565 180 325 8-φ19 DYT-7001 0.55 3
300×00 368×368 412×412 900 450 626 230 375 8-φ19 6
320×20 378×378 432×432 920 460 636 240 385 8-φ19 8
400×400 418×418 512×512 1100 550 826 280 425 12-φ20 DYT-10001 0.75 16
500×500 572×572 616×616 1300 650 878 330 475 16-φ20 24
630×630 702×702 746×746 1600 800 943 395 540 20-φ20 35