手机二维码

  版权所有   苏ICP   技术支持:  鸣谦信息


公司电话:

18652388999/13605269401


公司邮箱:

13605269401@163.com


公司地址:

江苏兴化市经济开发区楼房村

用科技引领未来,以细节和谐发展

PRODUCTS

—— 产品中心 ——

>
ZDY(B)型系列电液动转角器(电液头)

ZDY(B)型系列电液动转角器(电液头)

概述

  1.实现机、电、液、仪一体化,可远距离控制、中央调度室监控和微机控制。
  2.电动执行机构(电动头)由蜗杆传动,弹簧力矩控制,机械磨损大、力矩经常失灵、不易调整、过载烧电机、操作不方便,而电液转角器(电液头)液压传动、过载溢流保护、无级调整、运行平稳、力矩较大、任意锁定,配置不同的仪器、仪表可实现管道内恒压或恒流控制。
  3.采用全封闭结构,不漏油、不吸尘、不吸水、内部不锈蚀、使用寿命长,适应各种非高温(120度以下)的恶劣环境使用。
  4.特别是风门选用ZDY-C型可任意调节不同角度,调节风量大小比双行程气动执行机构、电动执行机构操作简便、可靠。
  5.在电控部分,电动头是由多组接线端子、二级管、继电器等复杂元件组成,质量不稳定,在金属、煤炭等大气污染的环境中使用容易使之失灵,而回转器结合液压特点采用进口全封闭集成电路板,体积小、重量轻、启闭速度快。
  6.液压缸两端设有机械调整机构,便于现场安装要求.
  7.设有电动、手动装置,且无需切换任意操作,方便安装和停电时工作。

工作原理

  ZDY(B)电液头是一种机、电、液、仪一体化的新型电液动力装置,它以液压缸为主体,由电动机、油泵、油箱、滤油器、液压集成阀、转臂连杆组合的总成。
  通过电机运转带动油泵,经液压集成阀即可使液压缸输出力和位移运动,带动转臂连杆产生0-90度、0-120度间任意锁定。

产品型号编制规则

p11.jpg

主要技术参数

规格型号

额定力矩

回转角度

启闭时间S(秒)

控制讯号

电机功率KW

ZDY□5□

50

90°+2°
120°+2°

3

行和开关角度显示仪或4-20mA微机控制

0.18

ZDY□15□

150

4

0.37

ZDY□45□

450

8

0.37

ZDY□85□

850

8

0.55

ZDY□150□

1500

12

0.55

ZDY□200□

2000

20

0.75

ZDY□300□

3000

15

0.75

ZDY□400□

4000

20

1.5

ZDY□500□

5000

25

2.2

ZDY□600□

6000

32

2.2

ZDY□800□

8000

30

2.2

ZDY□1000□

10000

47

2.2

ZDY□1500□

15000

70

3

ZDY□2000□

20000

55

3

ZDY□2500□

25000

78

3

ZDY□3000□

30000

78

4

注:表中启闭时间为回转角度90°时的数值,如需表中未列出的特殊要求,可按需设计制造。

p12.jpg

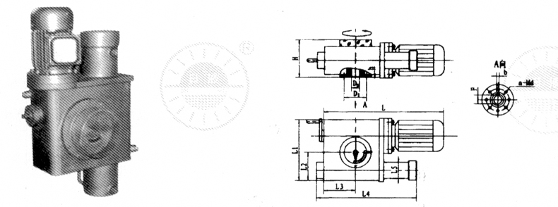
主要外型连接尺寸

规格型号

L

L1

L2

L3

L4

L5

H

D0

D1

F

b

h

n-Md

ZDY□5□

470

210

90

132

280

Φ65

135

18

90

20.3

5

15

4-M8

ZDY□15□

520

222

102

152

325

Φ65

145

20

95

22.8

6

15

4-M8

ZDY□45□

545

320

160

135

480

Φ76

165

24

100

27.3

8

20

4-M12

ZDY□85□

545

330

170

135

490

Φ95

210

32

110

35.3

10

20

4-M14

ZDY□150□

625

340

200

160

625

Φ121

210

38

140

41.3

10

25

4-M18

ZDY□200□

625

340

220

160

630

Φ133

230

42

160

45.3

12

25

4-M18

ZDY□300□

695

480

235

230

640

Φ140

230

50

160

53.8

14

25

8-M18

ZDY□400□

695

505

260

230

640

Φ159

290

60

195

64.4

18

30

8-M20

ZDY□500□

695

505

260

230

640

Φ184

290

70

235

74.9

20

30

8-M20

ZDY□600□

695

505

260

260

750

Φ184

290

70

235

74.9

20

30

8-M20

ZDY□800□

695

505

260

260

780

Φ184

340

70

280

79.8

20

30

8-M20

ZDY□1000□

750

550

300

290

810

Φ184

380

76

300

86.8

22

30

8-M24

ZDY□1500□e

750

550

300

290

810

Φ203

400

98

350

110.8

28

35

8-M24

ZDY□2000□

750

550

300

290

870

Φ203

420

120

390

134.8

32

35

8-M24

ZDY□2500□

815

580

350

320

950

Φ219

440

120

390

134.8

32

40

8-M24

ZDY□3000□

815

580

350

320

980

Φ219

460

120

390

134.4

32

40

8-M24

p13.jpg

订货须知:

1、客户在订货时,须注明产品种类、型式、力(或力矩)、速度、行程和使用位置等基本参数,缺一不可。如有特殊需求亦请说明。
2、电气控制部分均由客户自行解决,样本中所列电气控制电路,仅供参考。
3、安装、使用、维修等事项,请参见产品《使用说明书》(随货同行)
4、产品发出六个月后,确因本公司制造问题,本公司实行三包,并供应配件。